Continuous learning

Personal Projects

Get to know me better by taking a look at some of my personal projects.

Data Viz

Colorful Language

The World Color Survey gathered data from 2,696 native speakers of 110 languages, asking each participant to identify 330 different colors.

Colorful Language radial visualization

Using Processing, I wrote code to read the survey data and explore various ways to categorize and group it. These sketches evolved into the final image, displaying the results for each language as a series of blocks radiating from the center, arranged from the most frequently used term to the least.

Processing code editor

Mixing colors programmatically resulted in muddy hues, but relying on our own eyes produced satisfying, textured visualizations.

Detail visualization

Comparing like colors across languages.

Print design exploration

Poster visualization explorations.

Color averaging visualization

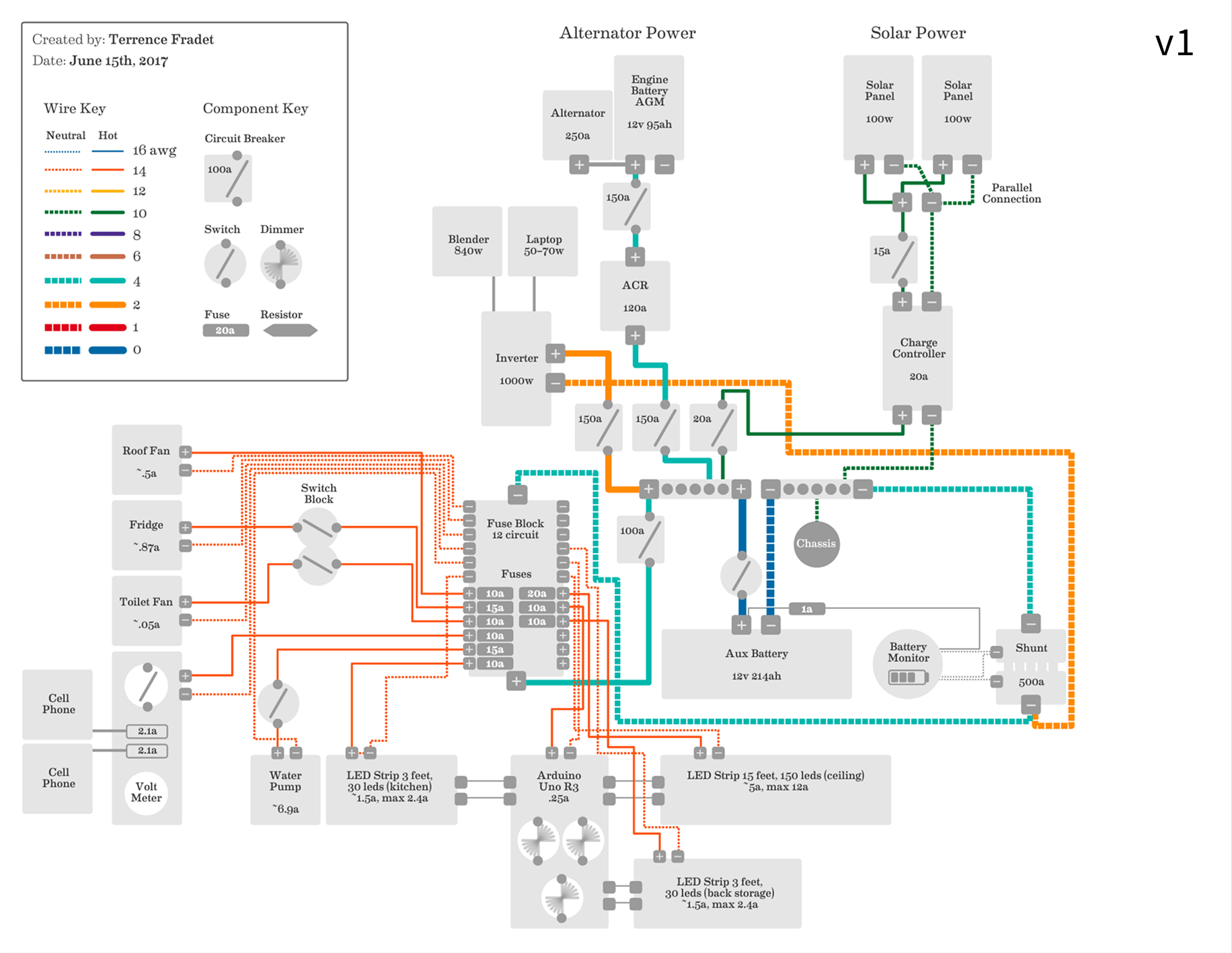
Electrical Engineering

Solar System Build

My journey in building a 12v electrical solar system for my campervan started with creating a diagram and asking for feedback in a Facebook group. See how my design evolved with revisions inspired by community feedback.

Solar system diagram evolution

I also built out the entire campervan, from plumbing to the wood work and really enjoyed learning how to do many scary projects including cutting large holes to install windows.

Campervan before
Arrow
Campervan after

Vertical Gardening

Urban Designs

I mapped out the entire property, planning the use of every square foot. I espaliered plum, apple, cherry, and peach trees, and planted raspberry, blackberry, grape, strawberry, and elderberry bushes.

Garden layout after
Arrow
Garden layout plan
Garden trellis plan
Arrow
Garden trellis after

Want to see more?

Get in touch with me to see my in-depth case studies.

to navigate projects · H for home

Data Visualization Works Vibe Coded Projects